SKLEP

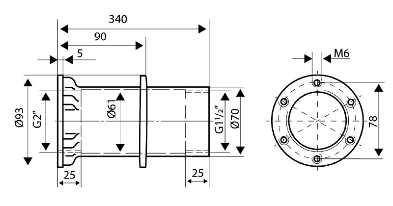
BRONZE EDITION przepust murowy 340 mm brąz z kołnierzem do folii gwinty wewnetrzne 2” z przodu i 1 1/2” z tyłu La.nr 3031050

762.65